基于改性滤料对微污染水的生物处理技术研究
2019年06月05日 10:43         所属学院: []          点击:


附件5

 

湖南省大学生研究性学习和创新性实验计划

项  目  申  报 

 

项目名称:

  • 如果您无法在线浏览此 PDF 文件,则可以

  • 下载免费小巧的 福昕(Foxit) PDF 阅读器,安装后即可在线浏览  或

  • 下载免费的 Adobe Reader PDF 阅读器,安装后即可在线浏览  或

  • 下载此 PDF 文件

学校名称

437必赢会员中心

学生姓名

学  号

专      业

性 别

入 学 年 份

刘京都

201613040322

给排水科学与工程

2016

吕昱

201513040105

给排水科学与工程

2015

夏建杰

201613040321

给排水科学与工程

2016

张俊才

201613040329

给排水科学与工程

2016

鲁浩南

201613040328

给排水科学与工程

2016

指导教师

禹丽娥

职称

讲师

项目所属

一级学科

土木

项目科类(理科/文科)

理科

学生曾经参与科研的情况

项目组成员有不同年级的学生,基本功都非常扎实,学习成绩优秀。通过前面多课程的学习,掌握了扎实的理论基础和实验技能,具备了一定的分析能力。掌握了数据分析工具,具备了一定的理论基础和实验动手能力。项目组成员英语和计算机能力较强,能够熟练查阅外文文献,掌握多种软件的运用。课题组团队成员在生物过滤及水处理的研究方面经过了一年多的探寻与思考,对项目具有浓厚的兴趣与信心。此外,学生还参与了下列科研情况:

1、创新实验沸石对水中四环素吸附的最佳反应条件研究

2、科技立项沸石对水中四环素吸附的最佳反应条件研究

3、科技立项一种处理含镉废水的改性炭化稻壳负载地衣芽孢杆菌生物吸附剂的制备

指导教师承担科研课题情况

指导老师是具有多年教学和科研经验的老师,担任主干课程的教学工作并指导实验。对地下水铁锰的生物过滤去除等机理进行了初步探讨,取得了一定成果:主持了湖南省科技厅项目1项;主持“水沙科学与水灾害防治湖南省重点实验室开放基金”课题1项;主持了湖南省教育厅课题1项;主持了湖南省教育厅教研教改课题1项;发明国家专利1项;参与了省建设厅“湖泊水库水源生物过滤除藻除臭的研究”和“洞庭湖区地下水生物除铁除锰新工艺的研究”等课题,指导学生荣获第二届全国大学生水利创新设计大赛二等奖;指导了437必赢会员中心大学生研究性学习和创新性实验5项。

近年来,在核心期刊发表科研论文多篇, EI核心版收录两篇。与此项目相关的研究如下:

1、含铁地下水的危害及治理对策与展望,科技信息,2007.23(279);

2、地下水除铁滤池的成熟及其生物研究,哈尔滨商业大学学报(自然科学版),2005.3(286-287,297);

3、地下水生物除铁的探索性试验证究,湿法冶金,2005.4(218-220);

4、地下水生物除铁的效果及机理验证研究,工业用水与废水,2006.2.(25-27);

5、地下水生物除铁效果及其动力学研究,供水技术,2009.3(19-21)。

6、有机物分子量分布特性对生物除铁滤柱的影响研究,哈尔滨商业大学学报自然科学版,2010.4

7、Research on the Effect and Kinetics Mechanism of Biological Iron-Removal from Groundwater,Environmental Pollution and Public Health Special Track within iCBBE:(EPPH 2010)(EI:20103613208354)

8、Impact of Molecular Mass of Natural Organic Matter on Biological Removal of Iron:(ICCAHE2012)

项目研究和实验的目的、内容和要解决的主要问题

目前,我国自来水净化过程普遍采用的是液氯消毒甚至预氯化的方法,在水处理上有着常规处理的局限,饮用水水质安全性难以绝对保证。在我国居民生活水平日益提高的情况下,饮用水水质亟待提高。然而,作为一个发展中大国,经济基础薄弱,许多供水企业在资金和场地上都难以接受通过新增处理工艺、构筑物或设备来改善水质但是若以生物过滤代替常规过滤,只需在原有的处理设施基础上加以改进(更换滤料、改变预氯化等方法)即可以达到去除水中有机物和悬浮颗粒的双重效果,这无论是在技术上还是经济上都具有很大的可行性。

石英砂是一种天然、无毒、无味、相对于环境没有影响的滤料,在我国同样分布很广泛且价格低廉,具有吸附、离子交换等性能,可通过吸附、离子交换等作用处理微污染水源水,通过微波等改性处理将提高其吸附能力。项目组成员为给水排水工程专业二年级学生,基本功扎实,学习成绩优秀。通过前两年来的课程的学习,掌握了扎实的理论基础和实验技能,具备了一定的分析能力。高等数学的学习使我们掌握了数据分析工具,普通化学等课程使我们具备了一定的化学反应理论和实验动手能力。项目组成员英语和计算机能力较强,能够熟练查阅外文文献,掌握多种软件的运用。指导老师是具有多年教学和科研经验的老师,担任主干课程的教学工作并指导实验,主持教育厅和科技厅项目各一项,也指导了5次学生的创新实验,能给我们的试验启迪思路、把握方向。

目前, 我国大多数水厂采用的是(混凝/ 沉淀/ 过滤/消毒)的常规处理工艺, 对于水质良好的水源, 其可制得符合标准的饮用水, 但随着水源污染的日益加重, 尤其是有机物含量的大量增加,常规处理工艺已显得力不从心。虽然采用强化混凝、膜分离等技术可有效地提高净水效果, 但其运行、管理费用相对较高, 基于我国目前的经济水平,还不能得到广泛的应用。因此, 提高常规处理工艺的净水效能十分必要。过滤是常规处理工艺中保障饮用水卫生安全的重要工序, 可以通过强化过滤来提高净水效能, 而滤料又是强化过滤技术的关键。

目的:

1分析、比较普通石英砂和改性石英砂的去除机理及去除有机物的效率;

2、培养出成熟的生物滤池,能有效处理微污染水的机理及效果;

3、采用生物过滤法处理微污染水;找出生物去除的最佳运行条件;鉴别滤池生物氧化产物的分子结构。

研究内容

1、电镜观察改性后石英砂的表面特征、分析计算比表面积、孔隙率等考察超声波联合微波对石英砂的改性效果;

2、通过石英砂和改性石英砂对微污染水的处理对比试验研究,考察石英砂改性对去除效率的影响。

解决的主要问题:

1、分析改性石英砂的制备条件;

2、比较与研究改性后石英砂的改性效果

3、探索改性石英砂去除效率的影响因素、规律确定最佳工艺运行条件

4、探讨生物过滤去除微污染水的机理、参数及推广运行情况等。

国内外研究现状和发展动态

过滤是净水工艺不可缺少的处理单元,滤料作为曝气生物滤池的核心组成部分,影响着工艺的处理效果和运行控制,滤料性能的优劣直接影响到滤池运行的稳定和效果。滤料(filtering media)主要分为两大类,一类是用以进水过滤的粒状材料,通常指石英砂,白煤或矿石等。常用滤料以石英砂和活性炭为主,前者密度大、孔隙率小,后者净水能力强,但价格较高。而且天然石英砂来源广泛,价格便宜,经过化学改性后,具有离子交换功能,在地下水除铁工艺应用中具有明显优势。另一类是物理分离的过滤介质,主要包括过滤布,过滤网,滤芯,滤纸,以及最新的膜。

国内外已经出现多种新型滤料并应用于净水处理,例如王联奎等试制的炉渣滤料对水中悬浮物平均脱除率达90%以上,薛金凤等研制的粉煤灰滤料可有效去除饮用水中的氟离子,邓慧萍等联合使用涂铁铝砂和活性炭可使原水有机物去除率增加50%,Ago Kaasik 等用水合石灰页岩滤料去除人工湿地的磷效果较好。

但目前使用的滤料的功能一般比较单一,主要通过截留降低浊度,而对有机物和重金属离子等不能有效去除。针对水源水的有机物和重金属离子污染,出水一般不能达标,给饮用水处理工作带来很大挑战。本研究拟探讨一种质量轻、强度高、化学性能稳定的具有较强吸附能力和离子交换能力的多功能滤料,是目前微污染水处理领域研究和关注的热点,也是提升出水水质、应对地表水源污染的有效对策。该技术能够有效提高和保障饮用水水质,具有广阔的发展和应用前景。

参考文献

[1] 严煦世,范瑾初.给水工程.北京:中国建筑工业出版社,1995

[2] 杨宏,李冬,张杰.生物固锰除锰机理与生物除铁锰技术.中国给水排水,200319(6)15

[3] 潘俊,王娟.试论铁锰的环境水文地质问题. 黑龙江科技信息 2009 ,3

[4] 国家环保总局,生活饮用水水质卫生标准GB5749-2006

[5] 张杰,李冬,陈立学,杨宏.地下水除铁除锰机理与技术的变革.自然科学进展2005,15(4)

[6] 朱福宁,蒋浩.浅谈地下水除铁锰技术及应用.黑龙江环境通报. 2007 1

[7] 张吉库,傅金祥,周华斌,.地下水除铁除锰技术与发展趋势.沈阳建筑工程学院学报(自然科学版).200303

[8] 薛罡,赵洪宾.地下水除铁除锰技术新进展.给水排水.200207

[9] 禹丽娥. 地下水生物除铁效果及其动力学研究[J]. 供水技术,2009(3):19-21.

[10] 石英砂用于农村高氟水处理研究中国农村水利水电2008,6

[11] 高繁华,张永明,高雄厚;石英砂的改性技术[J];工业催化;199802

[12] 魏翔,朱琨,王海涛,杨建涛,马娟;改性石英砂吸附水中有机物的试验研究[J];甘肃环境研究与监测;200303

[13] 薛罡;邹联沛;刘建勇;李海军接触氧化法除地下水铁锰时不同滤料性能的对比研究 东华大学学报(自然科学版) 2002 6

[14] 胡文容,高廷耀;煤矿酸性矿井水除铁研究[J];中国给水排水;199501

[15] Ye-ChunSong, Experimental study on removal of manganese and ferrous ion in groundwater by modified zeolite ,CHINESE JOURNAL OF ENVIRONMENTAL ENGINEERING .2009.07.

[16] 汪宁改;李国亭;刘秉涛;李东颖;刘会娟;曲久辉紫外光照射下铁锰物种对酸性橙的脱色研究  环境化学 2009 2

本项目学生有关的研究积累和已取得的成绩

相关积累:

通过对创新实验沸石对水中四环素吸附的最佳反应条件研究”、科技立项 沸石对水中四环素吸附的最佳反应条件研究”及 “一种处理含镉废水的改性炭化稻壳负载地衣芽孢杆菌生物吸附剂的制备”等项目和课题的研究和实践,总结出相关课题的数据与经验。

已取得成绩:

通过长期的多方实践与研究,了解了国内外现有的多种水处理的方案与模式,总结出现有发展模式的优点与弊端,并通过研究实践,对更多的有待改善的水处理模式进行了了解与考察。此外,项目组成员的具体情况如下:

刘京都:男,给排水16-03班,基础知识牢固,专业兴趣浓厚,学习能力强,喜欢钻研探索,组织能力强,细致,认真。为本项目负责人。

  : 女,给排水15-01班,实践能力好,成绩优异,参与完成多项科研研究,积极负责,有很好的担当意识。在本项目中主要负责实验及分工安排。

夏建杰:男,给排水16-03班,具有良好的给排水的基础知识,动手能力强,思维开阔,具有创新精神,物理知识丰富。在本项目中主要负责数据整理与实验。

张俊才:男,给排水16-03班,学习能力强,有较强的团队合作精神,动手实践能力较强。细心、认真、善于观察。在本项目中主要负责理论分析及计算。

鲁浩南:男,给排水16-03班,有一定的实践经验,学习认真,有较强的团队精神,沟通能力强。在本项目中主要负责实验与数据分析。

    

项目的创新点和特色

1、近年来水体中微污染水污染状况日趋严重,本项目挑战传统处理工艺。而且,微污染水的处理一直没有得到系统研究,更没有其特定的规律及成熟的处理方法,本项目将立足于本目的和方向展开研究。

2、随着新版饮用水水质标准(GB5749-2006)的颁布和公众健康意识的提高,生物过滤法将成为去除微污染水的首选工艺之一。本课题拟采用环保、高效和经济的生物过滤法达到去除水中微污染水的目的,探讨可操作的微污染水水源治理方案、措施与模式。

3、通过在石英砂表面附着不同功能的物质, 改善滤料表面的性质, 制成具有优良吸附性能和一定机械强度的改性滤料。鉴于我国目前的经济水平, 这一技术将在给水处理中有广阔的应用前景。

 总的来说,该方法对传统的水处理技术是一个很大的挑战,有很强的创新性,一旦实验成功,可以大量推广应用于水处理,服务于各大城镇。

 

项目的技术路线及预期成果

 

研究方案和技术路线

1研究方案

根据理论分析,超声波+微波对石英砂进行改性应当会改变石英砂的表面特征及比表面积等,改性后的石英砂对微污染水的处理效率也将发生变化,基于此,我们计划分以下几部分开展研究工作

(1)石英砂改性研究

用不同方法进行改性,寻找出比较理想的改性方法。按照先超声波再微波的顺序对石英砂进行改性,分别对原天然石英砂和改性石英砂进行电镜扫描和表面面积测定,考察改性效果,确定超声波和微波处理强度、时间等与改性效果之间的规律。

(2)湘江微污染水源水处理试验研究

根据试验结果确定的最佳运行条件,用取自湘江微污染水源水进行处理试验,验证此前的研究结果,并进一步对运行条件进行调整,最终确定指导工程实践的设计和运行参数。

 

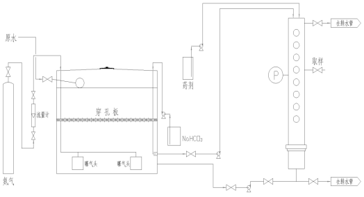
1 实验装置示意图

2技术路线

收集吸附和化学氧化理论与实践的前沿成果作为理论指导,运用水处理理论、化学、物理、仪器分析等多学科的原理,对影响处理效果的因素进行理论分析和比较,确定试验考察参数,改变参数进行一系列的反复试验,然后在对湘江微污染水源水进行处理,确定工艺的控制参数。

项目实施遵从“理论——试验——理论——实践应用”的路线。

预期成果:

1、查阅国内外相关文献和参考资料,根据已有资料写出试验方案(包含技术、经济分析)。

2、探索出处理微污染水的处理模式,预测其实际应用前景,进行理论性的研究。

3探索影响去除效率的因素、规律确定最佳工艺运行条件对湘江微污染水源水进行处理研究

4、总结实验数据,并深入研究撰写论文。

 

年度目标和工作内容(分年度写)

本实验计划研究的时间预期1年7个月,期限为2018年5月—2019年12月。阶段工作计划如下:

2018年5月~2018年6月:广泛查阅相关文献,制定详细可行的研究计划,进行人员分工,全面做好研究准备工作。

2018年7月~2018年12月:电镜观察改性后石英砂的表面特征、分析计算比表面积、孔隙率等等考察超声波联合微波对石英砂的改性效果。通过天然石英砂和改性石英砂对微污染水源水的处理对比试验研究,考察石英砂改性对去除效率的影响。   

2019年1月~2019年7月:通过正交试验试验探索影响去除效率的因素、规律。

2019年7月~2019年12月:对湘江微污染水源水进行处理研究,确定最佳工艺运行条件;总结课题、撰写论文、完成并呈交结题报告。

指导教师意见

 

选题合理、新颖,方案可行,具有明显的社会价值与效益,同时实际工程价值显著,同意指导!

 

 

 

 

签字:                   日期: